Beschreibung
Details
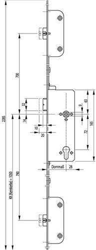
Panik-Schließzwangfunktion C · Mehrfachverriegelung · SECURY Automatic · zugelassen für Feuer- und Rauchschutztüren nach DIN 4102 und Kombination mit BKS-Beschlägen für Feuerschutzabschlüsse nach DIN EN 1634 · ohne Wechsel · in Kombination mit BKS-Beschlägen nach DIN EN 179 (Notausgänge) zugelassen · automatischer Fallenriegel mit integriertem Auslösehebel in Verschlussstellung mit 20 mm Fallenvorstand · Automatikfalle in gesicherter Ausführung als 3-fach-Verriegelung · Hinterdornmaß 28 mm · Stulp aus nichtrostendem Stahl, eckig · Riegel aus Stahl · Entfernung 72 mm · Vierkantnuss 9 mm · auswärts öffnend · Weitere technische Eigenschaften Hinterdornmaß: 28mm
Zusatzinformation
Zusatzinformation
| Hersteller | BKS GmbH |
|---|---|
| Lieferumfang | Keine Angabe |
| Bezeichnung | Keine Angabe |
